Теплофизическая модель криогенной ВРУ ААж-450-16 для получения чистого азота под давлением

Рассмотрим технологический процесс криогенного разделения воздуха на примере готовой теплофизической модели установки в Aspen HYSYS

Ionium.ru Материалы Теплофизическая модель криогенной ВРУ ААж-450-16 для получения чистого азота под давлением

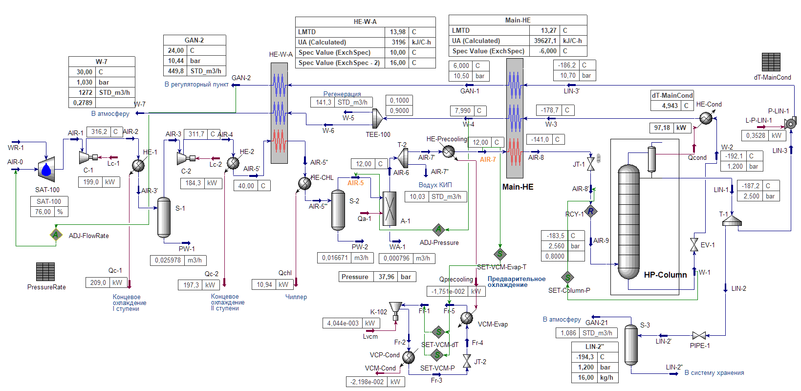
Студенты и начинающие специалисты зачастую сталкиваются с трудностями при составлении технологических процессов криогенных систем и их реализации с использованием средств теплотехнического моделирования, например, HYSYS. Рассмотрим, каким образом выглядит вновь разработанная технология криогенного разделения воздуха (см. рисунок 1), построенная на базе цикла среднего давления, с концентрационной колонной для получения чистого азота.

Теплофизическая модель криогенной воздухоразделительной установки ААж-450-16 в HYSYS
Рисунок 1 — Теплофизическая модель криогенной воздухоразделительной установки ААж-450-16 в HYSYS

Исходный файл теплофизической модели воздухоразделительной установки ААж-450-16 HYSYS v.10 можно загрузить в блоке ниже. В примере имеется все необходимое, чтобы не только прямо рассчитать криогенную систему, но и выполнить ее оптимизацию.

Для представленной установки принимаются следующие исходные данные:

  • температура окружающей среды - 34 °С;
  • давление атмосферного воздуха - 0,98 бар.А;
  • влажность относительная сырьевого воздуха - 76 %;
  • бинарная модель воздуха - 0,79/0,21 N2/O2 (об.);
  • расход продукционного газообразного азота - 450 нм3/ч (760 торр, 20 °С);
  • расход продукционного жидкого азота - 16 кг/ч;
  • концентрация продукционного азота - 0,9997 (об.);
  • давление газообразного азота - 10 бар.А;
  • расход инструментального воздуха - 10 нм3/ч;
  • доля отбросного азота на регенерацию - 10 %;
  • число ступеней компримирования - 2;
  • тип компрессоров - поршневой c водяной рубашкой;
  • температура воздуха на входе в адсорбер 12 °С.

В качестве варьируемых параметров для достижения работоспособности, а затем оптимизации установки по некоторым критериям принимается:

  • давление компримирования;
  • расход сырьевого воздуха;
  • температурный уровень предварительного охлаждения в холодильной машине;
  • доля пара в питающем колонну потоке.

В качестве критериев оптимизации могут быть приняты:

  • энергопотребление (установленная мощность);
  • достижение большей компактности колонны и теплообменных аппаратов.

Особенности технологии криогенного разделения:

  • учтена влажность сырьевого воздуха;
  • реализован принцип внутреннего сжатия для повышения давления газообразного продукционного азота;
  • полная рекуперация низкотемпературной теплоты;
  • автономность установки по инструментальному воздуху;
  • основной теплообменный аппарат обеспечивает температуру на выходе отбрасного потока на уровне, необходимом для относительно эффективной регенерации адсорберов блока комплексной очистки.

Какие параметры требуют внимания при расчете установки:

  • температурный напор в основном конденсаторе - не менее 4...4,5 °С (в листинге рассчитывается и выводится явно);
  • соответствие расходов продукционных поток требованиям задания (в листинге подбирается автоматически за счет варьирования расхода сырьевого воздуха);
  • средний логарифмический температурный напор - в диапазоне 8...15 °С, 12 °С - оптимально;
  • температура на входе в основной теплообменный аппарат (ОТОА, AIR-7) - по умолчанию равна температуре выхода из адсорбера, если назначить ниже, будет рассчитан контур парокомпрессионной холодильной машины (требуется адаптация хладона под условия кипения);
  • гладкость профиля температуры по высоте колонны;
  • концентрация кислорода в отбросном потоке (W-7) - не более 28...30 % (в противном случае требуется подмес части компримированного воздуха для ухода от повышенных требований к кислородопроводам).

Чтобы решить задачу по повышению производительности установки за счет предварительного охлаждения при зафиксированных параметрах установки без предварительного охлаждения, нужно:

  • рассчитать исходный режим работы установки;
  • отключить определение доли жидкости перед основным дросселем JT-1;
  • зафиксировать в спецификации ОТОА снятое с рассчитанной схемы значение UA, это сохранит конструктив уже принятого аппарата относительно модернизации;
  •  свести схему при измененной температуре потока на входе в ОТОА.
Поддержать проект

Если информация на сайте оказалась полезна, поддержите проект материально. Все средства, полученные в виде добровольных пожертвований, используются для развития экосистемы.