Концевое охлаждение воздуха в воздушно-водяном скруббере в современных криогенных ВРУ

Рассмотрим особенности межступенчатого и концевого охлаждения воздуха в криогенных воздухоразделительных установках в скруббере и кожухотрубных теплообменных аппаратах

Ionium.ru Материалы Концевое охлаждение воздуха в воздушно-водяном скруббере в современных криогенных ВРУ

Описание проблемы и вариантов ее решения

Практически для всех криогенных установок разделения воздуха в качестве среднего давления (MPA – middle pressure air) принимается значение 5,8…6 бар (абс., здесь и далее), поскольку именно такое давление относительно просто может быть обеспечено в трехступенчатом центробежном компрессоре без специальных средств отделения капельной влаги и осушки воздуха после межступенчатого охлаждения.

Рабочее давление в колонне высокого давления при этом с учетом гидравлического сопротивления трубопроводов и аппаратов имеет значение 5,4…5,6 бар – это обеспечивает оптимальный температурный напор в основном конденсаторе-испарителе при наибольшей эффективности протекания процессов тепло-массообмена в колонне низкого давления.

Потенциально доступное для извлечения количество жидких продуктов прямо зависит от температуры воздуха среднего и высокого давления на входе в основной теплообменный аппарат для конкретно взятой установки. Поэтому вопрос концевого охлаждения является важным аспектом оптимизации технологии разделения воздуха методами низкотемпературной ректификации.

В бустерный (чаще четырехступенчатый центробежный) компрессор или дожимную компрессорную ступень турбодетандерного агрегата в качестве рабочей среды поступает очищенный и осушенный до температуры точки росы ниже минус 65 °С воздух, поэтому использование тепло-массообменных процессов в результате движущихся в противотоке сжатого воздуха и охлажденной воды не представляется возможным.

Охлаждение воздуха высокого давления осуществляется преимущественно за счет воды оборотного контура водоснабжения в межтрубном пространстве кожухотрубных теплообменных аппаратов.

Во многом отказ от очистки и осушки воздуха высокого давления в адсорберах объясняется низкой механической прочностью молекулярного сита (рабочее давление до 12…16 бар) и активным разрушением структуры сорбента в процессе сброса давления при регенерации.

Молекулярные сита представляют собой кристаллические алюмосиликаты с небольшими однородными размерами пор, способные избирательно адсорбировать определённые молекулы в зависимости от их размера и полярности. Молекулярные сита имеют низкую адсорбционную емкость по воде и водяному пару, поэтому, зачастую, работают в паре со слоем оксида алюминия. Подробнее про молекулярные сита в статье на сайте.

С другой стороны, для воздуха среднего давления возможно применить несколько вариантов охлаждения, в том числе с использованием воздушно-водяного скруббера.

Воздушный скруббер представляет из себя сосуд, работающий под давлением, в котором воздух после основного компрессора при температуре 85…105 °С подается в нижнюю часть аппарата и последовательно проходит через металлическую насадку (структурную/регулярную или неструктурную/нерегулярную), орошаемую водой оборотного контура с температурой 28…32 °С, а затем через пластиковую насадку, орошаемую охлажденной отбросным азотом в азотно-водяном скруббере и в испарителе чиллера водой.

Рабочий диапазон температур молекулярного сита от 8 до 15 °С, поэтому охлаждение воздуха в скруббере должны быть осуществлено до температуры, принятой при расчете адсорбера. Для технологий китайских лицензиаров характерной на входе в блок очистки и осушки является температура воздуха 10 °С, для отечественных систем ~15 °С. Чем выше рабочая температура адсорбера в режиме прямого дутья, тем больше объема сорбента предусматривается в аппарате.

Теплогидравлические модели методов охлаждения

Чтобы понять, почему воздушный скруббер имеет преимущество над концевым охлаждением, организованным по другому принципу, рассмотрим две теплофизические модели:

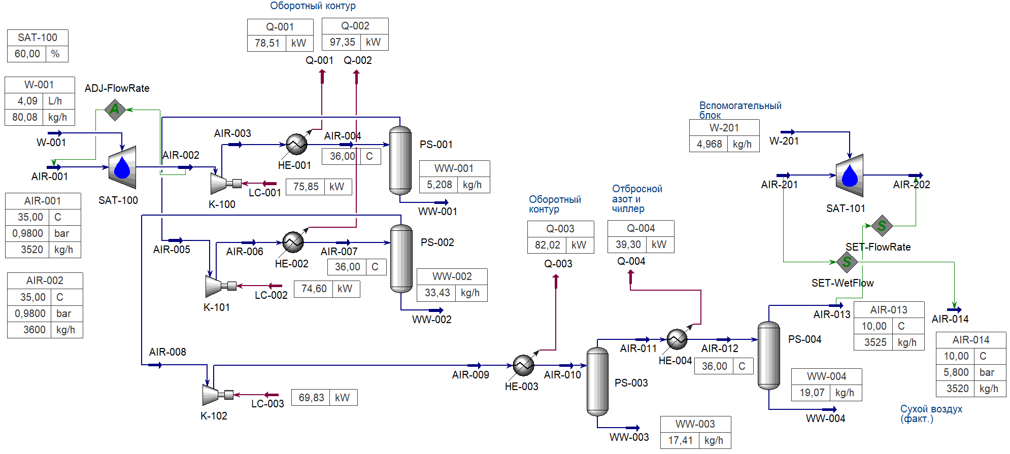
  • Модель 1 (см. рисунок 1) состоит из основного трехступенчатого центробежного компрессора с межступенчатым охлаждением в кожухотрубных аппаратах и конденсатоотводчиками, концевое охлаждение обеспечивается за счет последовательно расположенных кожухотрубных аппаратов с конденсатоотводчиками с водой оборотного контура и водой, охлажденной отбросным азотом и в испарителе чиллера.
Межступенчатое и концевое охлаждение в кожухотрубных аппаратах
Рисунок 1 – Модель межступенчатого и концевого охлаждения в кожухотрубных аппаратах в HYSYS
  • Модель 2 (см. рисунок 2) состоит из основного трехступенчатого центробежного компрессора с межступенчатым охлаждением в кожухотрубных аппаратах, концевое охлаждение обеспечивается за счет тепло-массообмена воздуха с водой оборотного контура и дополнительно охлажденной в испарителе чиллера.
Концевое охлаждение в водо-воздушном скруббере
Рисунок 2 – Модель концевого охлаждения в водо-воздушном скруббере в HYSYS

 

При моделировании подобных процессов использование трехкомпонентной модели воздуха не имеет практического смысла, поскольку бинарные коэффициенты для пары Аргон-Вода не определены для уравнения Пенга-Робинсона в HYSYS по умолчанию.

Обе модели имеют одинаковые граничные условия: параметры воздуха на входе в установку (в месте размещения воздухозаборника – 35 °С / 0,98 бар / 60 %) и на выходе (перед блоком комплексной очистки – 10 °С / 6 бар / 100 % ), расчет ведется на расход воздуха 1 кг/с.

С точки зрения термодинамики энергетические балансы сходят с достаточной инженерной точностью: тепловая нагрузка на оборотный контур водоснабжения 257,9 кВт (модель 1) и 248,6 кВт (модель 2), нагрузка на азотно-водяной скруббер и чиллер 39,3 кВт (модель 1) и 38,8 кВт (модель 2). Незначительное расхождение объясняется отводом влаги после межступенчатого охлаждения, разница 9,3 кВт – отразилась в работах сжатия.

Модель 1

Охлаждение в кожухотрубных аппаратах

Модель 2

Охлаждение в водо-воздушном скруббере

Состав Модели
- конденсатоотводчики на межступенчатых охладителях – 2 шт.;
- кожухотрубные аппараты – 2 шт.;
- сепараторы – 1 или 2 шт. в зависимости от схемы.
- скруббер воздушно-водяной – 1 шт.
Работа сжатия

220,3 кВт

211,1 кВт

Оба варианта, очевидно, тождественны с точки зрения термодинамики. Рассмотрим достоинства и недостатки варианта концевого охлаждения со скруббером.

Сравнение вариантов концевого охлаждения

Достоинства применения водо-воздушного скруббера для концевого охлаждения воздуха после основного компрессора в современных криогенных воздухоразделительных установках:

  • Упрощенный состав технологического оборудования – всего один аппарат, меньше металлоемкость не только с точки зрения самого оборудования, но и его трубопроводной и арматурной обвязки. Например, на каждый аппарат для защиты межтрубного пространства рекомендуется устанавливать предохранительный клапан. При размещении оборудования на площадке «в плане» скруббер позволяет существенно сэкономить площадь для размещения другого оборудования.
  • Тепло-массообменные процессы в скруббере происходят с большей эффективностью, чем классический теплообмен в кожухотрубных аппаратах. Это позволяет снизить потери на недорекуперацию. Прямой контакт воздуха и воды осуществляется на фасонных насадках, локально интенсифицирующий процесс взаимодействия фаз. Это достоинство особо проявляется при работе скруббера в паре с открытой вентиляторной градирней в жарком регионе эксплуатации.
  • Совокупные гидравлические потери для нескольких кожухотрубных аппаратов и их трубопроводной обвязки выше, чем для одного скруббера.
  • За счет прямого контакта воды и воздуха в скруббере из воздуха удаляются механические частицы, аэрозоли и растворимые примеси (SO2, NOx, NH3, фактически аппарат реализует процессы абсорбционной очистки).
Виды насадок в скрубберах и механический метод очистки от отложений
Рисунок 3 – Виды насадок в скрубберах и механический метод очистки от отложений

Недостатки:

  • В преобладающем большинстве случаев в схемах со скруббером третья ступень компрессора работает в условиях образования капельной влаги в улитке, это приводит к необходимости конструктивной проработки осевых опор для компенсации дополнительных нагрузок.
  • Насадки, используемые в качестве контактной поверхности, нуждаются в обслуживании - периодическом извлечении и механической очистке от отложений. После простоя установки при ее последующем запуске необходимо осуществлять процедуру промывки насадки с использованием химически активных реагентов, которые не могут быть удалены в общестанционную канализационную сеть.
  • Какие бы ни были условия работы скруббера, воздух на выходе будет иметь относительную влажность 100 %. Это значит, что при повышении температуры с 10 С до 14 С количество вносимой в адсорбер влаги увеличится на 30 %. Кроме того, при определенных условиях (срыв скоростного режима работы аппарата) может произойти подтопление адсорберов, что приводит к снижению срока эксплуатации сорбента и его внеплановой замене. Для защиты адсорберов от подтопления на входе в БКО необходимо предусматривать ловушки для отвода воды.
  • Скруббер ввиду своих конструктивных особенностей размещается вне цеха на площадке, поэтому имеется риск кристаллизации охлаждающей воды.
  • Вода оборотного контура, подаваемая в скруббер, содержит растворенные соли, что в совокупности с высокой температурой приводит к отложению солей на насадке. Имеется риск бактериологического загрязнения. Принципиально необходимо предусматривать в составе установки станцию контроля качества и умягчения воды оборотного контура.

Выводы

Выводы: прежде всего, применение варианта концевого охлаждения со скруббером позволяет снизить капитальные затраты, связанные не только с непосредственно оборудованием, но и с его обвязкой, а также исключить дополнительные затраты на таможенные пошлины и при организации доставки оборудования на площадку.

Несмотря на значительное количество недостатков, особенно в части эксплуатации, применение скруббера позволяет планировать длительную непрерывную работу установки ввиду его конструктивной просты и высокой надежности.

В данном случае снижение количества оборудования, работающего при относительно высокой температуре и давлении, до одного аппарата на практике действительно статистически более надежно, а значит и более рационально с точки зрения оценки финансовых рисков.

Поддержать проект

Если информация на сайте оказалась полезна, поддержите проект материально. Все средства, полученные в виде добровольных пожертвований, используются для развития экосистемы.